Gigavac G81A Series Single Pole Single Throw HV Relays

Gigavac G81A Series Single Pole Single Throw HV Relays offer PCB and panel mount versions and a 10kV peak operating voltage rating. These relays feature tungsten contacts that improve hot load switching and versatile mounting that can be placed in any position on any axis. Gigavac G81A Series Single Pole Single Throw HV Relays have a 10ms operate and release time, 2M cycles of mechanical life, and an operating temperature range of -55°C to +85°C.

Features

  • Tungsten contacts for improved hot load switching
  • Versatile mounting in any position, any axis
  • PCB and panel mount versions

Specifications

  • 10kV peak operating voltage
  • 5A or 10A continuous current
  • 0.03Ω contact resistance
  • 10ms operate time
  • 10ms release time
  • 2M cycles of mechanical life
  • 10G vibration
  • 30G shock
  • -55°C to +85°C operating temperature range

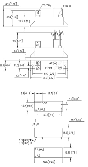
Dimensions

Gigavac G81A Series Single Pole Single Throw HV Relays
Published: 2023-03-28 | Updated: 2023-05-09