STMicroelectronics STEVAL-MKI224V1 LPS22DF Adapter Board
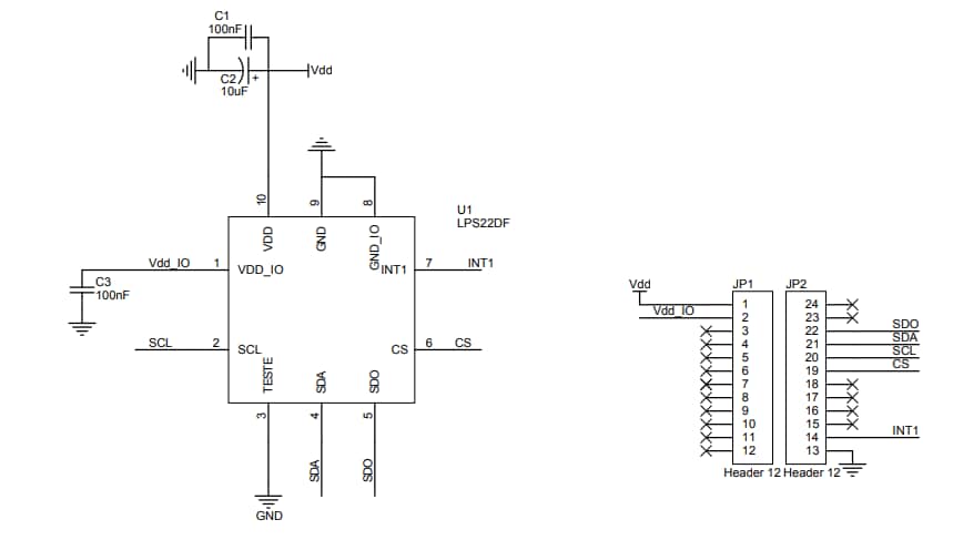
STMicroelectronics STEVAL-MKI224V1 LPS22DF Adapter Board is configured to evaluate the operation of the LPS22DF MEMS devices. The STEVAL-MKI224V1 is designed to be an effective solution for fast system prototyping and device evaluation directly within an application.The STM STEVAL-MKI224V1 LPS22DF Adapter Board plugs into a standard DIL24 socket and provides the complete LPS22DF pinout. The board is ready-to-use with the required decoupling capacitors on the VDD power supply line.
The adapter board is supported by the STEVAL-MKI109V3 motherboards that include a high-performance 32-bit microcontroller functioning as a bridge between the sensor and a PC. Users can choose downloadable graphical user interface (Unico-GUI) or dedicated software routines for customized applications. Ideally, the STEVAL-MKI224V1 adapter board connects to an X-NUCLEO-IKS01A3 expansion board using Unicleo-GUI.
Features
- Complete LPS22DF pinout for a standard DIL24 socket
- Fully compatible with the STEVAL-MKI109V3 motherboards
- RoHS compliant
Overview
Circuit Schematic
Published: 2022-03-11
| Updated: 2024-04-26
