TE Connectivity / Linx Technologies HumPRC™ Long-Range RF Transmitters

TE Connectivity / Linx Technologies HumPRC™ Long-Range Transmitters are low-cost and high-performance Frequency Shift Keying (FSK) radio compatible handheld transmitters with the HumPRC and HumPRO™ families. These HumPRC handheld transmitters are configured with 1 to 8 buttons, and the keypad, LED, and labeling can be customized. The long-range handheld transmitters operate at 868MHz and 900MHz frequencies and use a single 3V CR2032 lithium button cell. These HumPRC handheld transmitters offer ranges of up to 0.8miles (1,300m) possible with good antennas and a quiet line-of-sight environment. Applications include long-range remote control keyless entry, garage or gate openers, lighting control, call systems, and home or industrial automation.

Features

  • CE compliant (RED)
  • 1 to 8 buttons
  • Small package
  • Customizable keypad

Applications

  • Long-range remote control
  • Garage/gate openers
  • Keyless entry
  • Lighting control
  • Call systems
  • Home/industrial automation

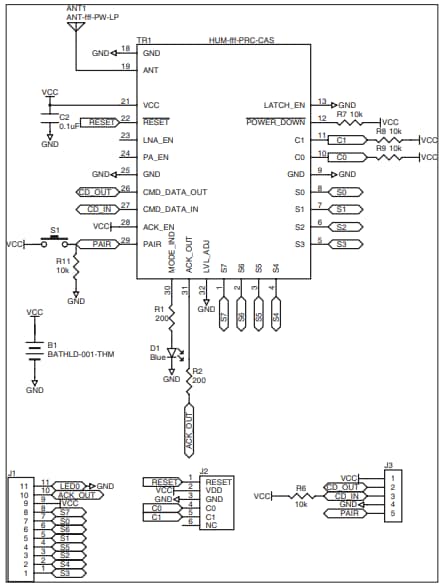
HumPRC Transmitters Schematic Diagram

Schematic - TE Connectivity / Linx Technologies HumPRC™ Long-Range RF Transmitters
Published: 2017-10-23 | Updated: 2023-07-24