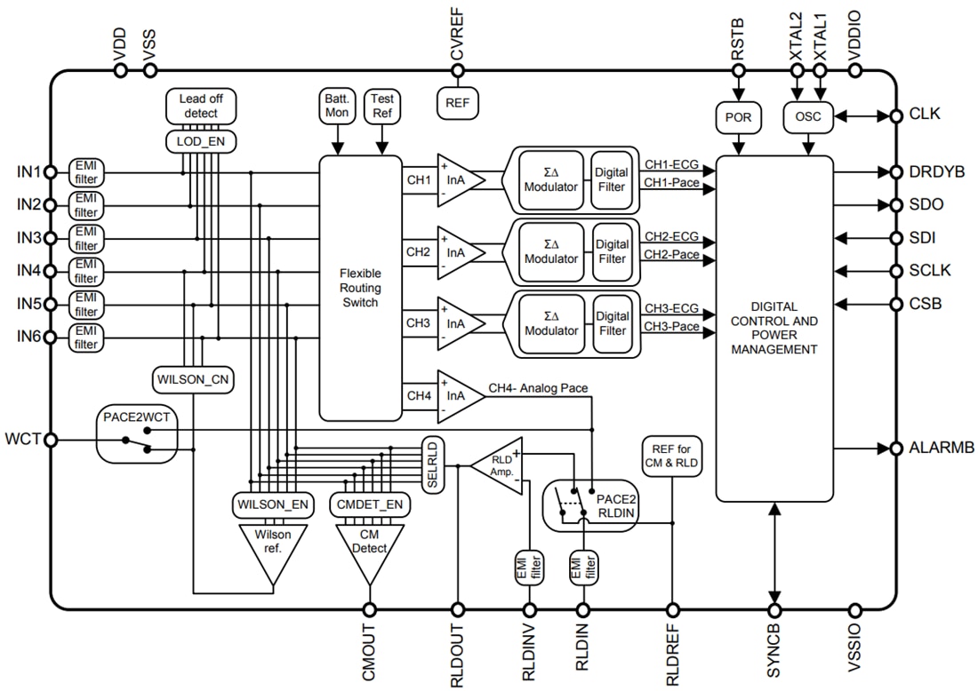
Texas Instruments ADS1293 Analog Front End (AFE)
Texas Instruments ADS1293 Analog Front End (AFE) incorporates all features commonly required in portable, low-power medical, sports and fitness electrocardiogram (ECG) applications. The ADS1293 enables the creation of scalable medical instrumentation systems. The ADS1293 features three high-resolution channels capable of operating up to 25.6ksps. Each channel can be independently programmed for a specific sample rate and bandwidth allowing users to optimize the configuration for performance and power. All input pins incorporate an EMI filter and can be routed to any channel via a flexible routing switch. Flexible routing also allows independent lead-off detection, right leg drive, and Wilson/Goldberger reference terminal generation without the need to reconnect leads externally. A fourth channel allows external analog pace detection for applications that do not utilize digital pace detection. The ADS1293 incorporates a self-diagnostics alarm system to detect when the system is out of the operating conditions range. Such events are reported to error flags. The overall status of the error flags is available as a signal on a dedicated ALARMB pin.Features
- Three High-Resolution Digital ECG Channels With Simultaneous Pace Output
- EMI-Hardened Inputs
- 0.3mW/channel low power
- Input-Referred Noise: 7µVpp (40Hz Bandwidth)
- 175pA Input Bias Current
- Up to 25.6ksps data rate
- Differential Input Voltage Range: ±400mV
- Analog Supply Voltage: 2.7V to 5.5V
- 1.65V to 3.6V Digital I/O Supply Voltage
- Right-Leg Drive Amplifier
- AC and DC Lead-Off Detection
- Wilson and Goldberger Terminals
- ALARMB Pin for Interrupt Driven Diagnostics
- Battery Voltage Monitoring
- Built-In Oscillator and Reference
- Flexible Power-Down and Standby Modes
Applications
- Portable 1/2/3/5/6/7/8/12-Lead ECG
- Patient vital sign monitoring
- Automated external defibrillator
- Sports and fitness (Heart Rate and ECG)
Functional Block Diagram
Published: 2013-01-21
| Updated: 2022-03-11
