Texas Instruments AFE7954 Quad RF Sampling DAC

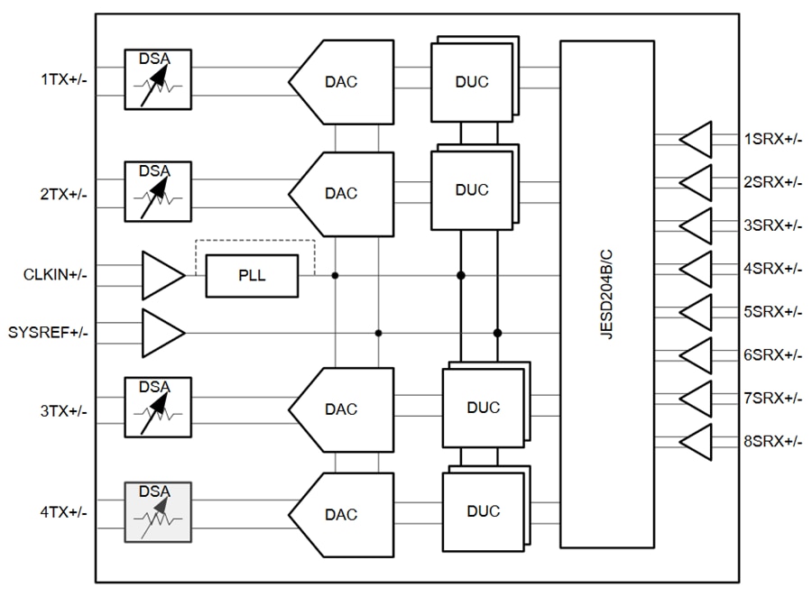
Texas Instruments AFE7954 Quad RF Sampling Digital-to-Analog Converter (DAC) is a high-performance, wide-bandwidth quad-channel RF sampling DAC. With operation up to 12GHz, this device enables direct RF sampling in the L, S, C, and X-band frequency ranges. This feature is done without the need for additional frequency conversion stages. This improvement in flexibility and density enables high-channel-count, multi-mission systems.

The signal paths support interpolation and digital up-conversion options that deliver up to 1200MHz signal bandwidth for four DACs (TX) or 2400MHz for two DACs. The output of the DUCs drives a 12GSPS DAC (digital to analog converter) with a mixed mode output option to enhance the 2nd Nyquist operation. The DAC output of the Texas Instruments AFE7954 includes a variable gain amplifier (TX DSA) with a 40dB range and 1dB analog and 0.125dB digital steps.

Features

  • Quad RF sampling 12GSPS transmit DACs
  • Maximum RF signal bandwidth
    • 4TX: 1200MHz
    • 2TX: 2400MHz
  • 600MHz to 12GHz RF frequency range
  • Digital step attenuators (DSA)
    • TX: 40dB range, 0.125dB steps
  • Single or dual-band DUC
  • 16x NCOs per TX
  • Optional internal PLL/VCO for DAC or external clock at DAC sample rate
  • SerDes data interface
    • JESD204B and JESD204C compatible
    • Eight SerDes transceivers up to 29.5Gbps
    • Subclass 1 multi-device synchronization
  • 17mm × 17mm FCBGA, 0.8mm pitch package

Applications

  • Radar
  • Seeker front end
  • Defense radio
  • Tactical communications infrastructure
  • Wireless communications test

Functional Block Diagram

Block Diagram - Texas Instruments AFE7954 Quad RF Sampling DAC
Published: 2024-06-21 | Updated: 2024-06-25