Texas Instruments BP-DAC81402EVM & BP-DAC61404EVM Evaluation Modules
Texas Instruments BP-DAC81402EVM and BP-DAC61404EVM Evaluation Modules are easy-to-use platforms designed for the DACx140x. The 16-bit DAC81404 (quad-channel) and 12-bit DAC61402 (dual channel) (DACx140x) are pin-compatible families of buffered output (up to ±20V) digital-to-analog converters (DACs) with integrated 2.5V internal reference.The TI BP-DAC81402EVM and BP-DAC61404EVM Evaluation Modules provide the GPIO and SPI programming interface using a PC-based graphical user interface (GUI). The BP-DAC81402EVM and BP-DAC61404EVM require the MSP-EXP432E401Y LaunchPad™ for interfacing with the PC-based GUI.
Features
- 1-LSB integral nonlinearity/differential nonlinearity (INL/DNL) at 16 bits linearity
- Internal reference
- Serial peripheral interface (SPI)
- ±0.05% FSR Total unadjusted error (TUE)
- 5V, 10V, 20V, 40V, ±5V, ±10V, or ±20V Output ranges
Kit Contents
- DAC61402EVM
- BP-DAC61402EVM BoosterPack
- Required Components Not Included With Kit
Overview
Hardware Setup
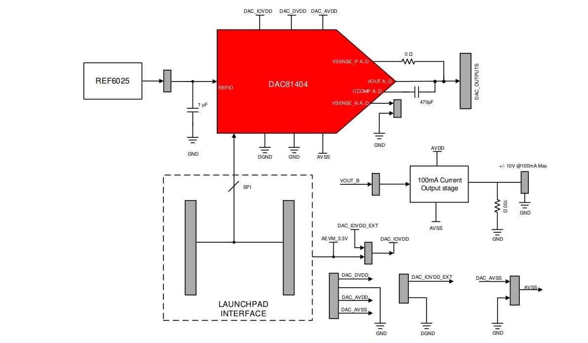
Hardware Block Diagram
Published: 2020-10-21
| Updated: 2024-09-05
