Texas Instruments bq769x0 Li-Ion & Li-Phosphate Battery Monitors
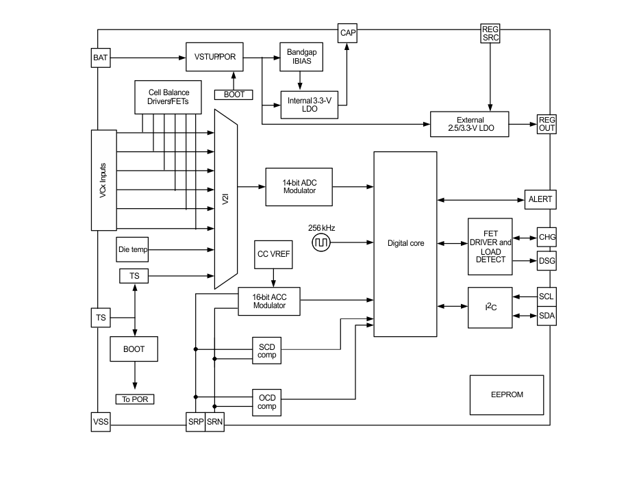
Texas Instruments bq769x0 Li-Ion & Li-Phosphate Battery Monitors are a robust analog front-end (AFE) devices that serves as part of a complete pack monitoring and protection solution for next-generation, high-power systems, such as light electric vehicles, power tools, and uninterruptible power supplies. The Texas Instruments bq769x0 is designed with low power in mind: Sub-blocks within the IC may be enabled/disabled to control the overall chip current consumption, and a SHIP mode provides a simple way to put the pack into an ultra-low power state.Features
- AFE monitoring features
- Pure digital interface
- Internal ADC measures cell voltage, die temperature, and external thermistor
- A separate, internal ADC measures pack current (coulomb counter)
- Directly supports up to three thermistors (103AT)
- Hardware protection features
- Overcurrent in Discharge (OCD)
- Short Circuit in Discharge (SCD)
- Overvoltage (OV)
- Undervoltage (UV)
- Secondary protector fault detection
- Additional features
- Integrated cell balancing FETs
- Charge, discharge low-side NCH FET drivers
- Alert interrupt to host microcontroller
- 2.5V or 3.3V output voltage regulator
- No EEPROM programming necessary
- High supply voltage absolute maximum (up to 108V)
- Simple I2C compatible interface (CRC option)
- Random cell connection tolerant
Applications
- Light Electric Vehicles (LEV): eBikes, eScooters, Pedelec, and pedal-assist bicycles
- Power and gardening tools
- Wireless base station backup systems
- Battery backup and UPS systems
- 12V, 18V, 24V, 36V, and 48V battery packs
Block Diagram
Published: 2014-12-17
| Updated: 2024-06-04
