Texas Instruments LM51772 Four Switch Buck-Boost Controller

Texas Instruments LM51772 Four Switch Buck-Boost Controller provides a regulated output voltage if the input voltage is higher, equal, or lower than the adjusted output voltage. In power save mode, the device supports a very high efficiency over the entire operation range of the output. The LM51772 runs at a fixed switching frequency, which can be set via the RT/SYNC pin. In forced PWM, the switching frequency remains constant during buck, boost, and buck-boost operation. The external compensation pin allows a very fast transient response for different applications. The device maintains a small mode transition ripple overall operating modes. The output voltage and device configurations can be dynamically programmed via the integrated I2C interface. The integrated and optional high-side current sensor features an accurate output or input current limitation. The average current limit of the Texas Instruments LM51772 is also configurable through the I2C interface.

Features

  • Input range from 0V (V(BIAS) ≥ 3.5V) to 55V
  • Output voltage 1V to 55V
  • Dynamical Vo programming via I2C from
    • 3.3V up to 48V in 20mV monotonous steps
    • 1V up to 24V in 10mV monotonous steps
  • Peak current regulation control
  • Small voltage transition ripple overall operating modes
  • Dynamic output voltage tracking (digital PWM tracking input, analog tracking input)
    • Via I2C interface programming
  • Shut down quiescent current 3µA
  • Operating quiescent current 60µA
  • DRV pin for external FET control
  • Operation mode selection for high efficiency in light load and high load conditions
    • Power save mode (burst/µSleep)
    • Automatic/programmable conduction mode
  • Integrated high voltage supply LDO
  • Auxiliary high voltage LDO/reference
  • Integrated full-bridge gate drive
    • 2A peak current capability
    • Bootstrap over and under-voltage protection
    • Integrated bootstrap diode
  • Fixed frequency independent from operating mode (boost, buck-boost, buck)
    • Forced PWM mode selectable
    • Switching frequency from 100kHz to 2.2MHz
    • External clock synchronization and clock output
  • Spread spectrum operation selectable
  • Average input or output current sensor
    • Programmable from 0.5A (5mV) to 7A (70mV) in 50mA (500µV) steps
    • ISET pin selectable
  • I2C interface readout of monitoring features

Applications

  • USB Type-C™ power delivery (docking station, PC monitor, desktop PC)
  • Wireless charging
  • Industrial PC/rugged PC
  • Battery backup unit
  • Merchant DC/DC
  • Avionics/marine sonar
  • Off-highway vehicle

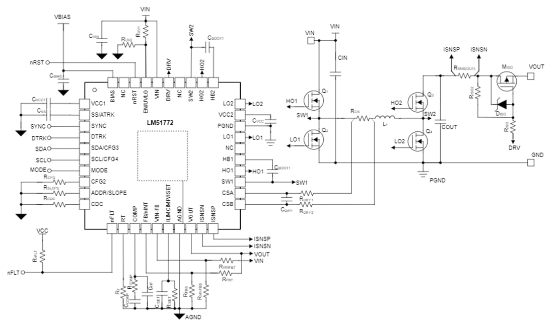
Typical Application Schematic

Schematic - Texas Instruments LM51772 Four Switch Buck-Boost Controller
Published: 2024-08-16 | Updated: 2024-08-26