Texas Instruments MSP430FR25x2 Capacitive Touch Sensing MCUs
Texas Instruments MSP430FR25x2 Capacitive Touch Sensing MCUs are ultra-low-power MSP430™ microcontrollers (MCUs) for capacitive touch sensing. These devices feature CapTIvate™ touch technology for cost-sensitive applications featuring 1 to 16 capacitive buttons or proximity sensing. The Texas Instruments MSP430FR25x2 MCUs offer value and performance for industrial applications exposed to electromagnetic disturbances, oil, water, and grease. The devices provide IEC-certified solutions with 5x lower power consumption than the competition and support proximity sensing and touch through glass, plastic, and metal overlays.Features
- CapTIvate™ Technology – capacitive touch
- Performance
- Fast electrode scanning with two simultaneous scans
- 15cm proximity sensing
- Reliability
- Increased immunity to power lines, RF, and other environmental noise
- Built-in spread spectrum, automatic tuning, noise filtering, and debouncing algorithms
- Enables reliable touch solutions with 10V RMS common-mode noise, 4kV electrical fast transients, and 15kV electrostatic discharge, allowing for IEC-61000-4-6, IEC-61000-4-4, and IEC-61000-4-2 compliance
- Reduced RF emissions to simplify electrical designs
- Support for metal touch and water rejection designs
- Flexibility
- Up to 8 self-capacitance and 16 mutual-capacitance electrodes
- Mix and match self- and mutual-capacitive electrodes in the same design
- Supports multi-touch functionality
- Wide range of capacitance detection, wide electrode range of 0 to 300pF
- Low power
- < 4µA wake on touch with two sensors
- Wake-on-touch state machine allows electrode scanning while the CPU is asleep
- Hardware acceleration for environmental compensation, filtering, and threshold detection
- Ease of use
- CapTIvate Design Center, PC GUI lets engineers design and tune capacitive buttons in real-time without having to write code
- CapTIvate software library in ROM provides ample FRAM for customer application
- Performance
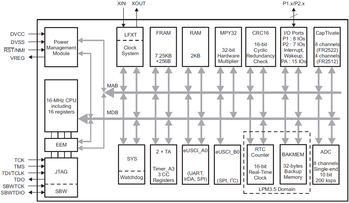
- Embedded microcontroller
- 16-bit RISC architecture
- Clock supports frequencies up to 16MHz
- 2.0V to 3.6V wide supply voltage range
- Optimized ultra-low-power modes
- Active mode: 120µA/MHz (typical)
- Standby: < 4µA wake-on-touch with two sensors
- Shutdown (LPM4.5): 36nA without SVS
- Low-power Ferroelectric RAM (FRAM)
- Up to 7.5KB of nonvolatile memory
- Built-in Error Correction Code (ECC)
- Configurable write protection
- Unified memory of program, constants, and storage
- 1015 write cycle endurance
- Radiation resistant and nonmagnetic
- High FRAM-to-SRAM ratio, up to 4:1
- High-performance analog
- Up to 8-channel 10-bit Analog-to-Digital Converter (ADC)
- Intelligent digital peripherals
- Enhanced serial communications with support for pin remap feature
- Clock System (CS)
- General input/output and pin functionality
- Family members
- MSP430FR2522: 7.25KB of program FRAM + 256B of information FRAM + 2KB of RAM up to 8 self-capacitive and 16 mutual-capacitive sensors
- MSP430FR2512: 7.25KB of program FRAM + 256B of information FRAM + 2KB of RAM up to 4 self-capacitive/mutual-capacitive sensors
Applications
- Electronic smart locks, door keypads, and readers
- Garage door systems
- Intrusion HMI keypads and control panels
- Elevator call buttons
- Personal electronics
- Wireless speakers and headsets
- A/V receivers
- Appliances
- Power tools
- Light switches
- Video doorbells
Functional Block Diagram
Published: 2018-05-16
| Updated: 2025-04-16
