Texas Instruments RC4580 Audio Op-Amps
Texas Instruments RC4580 Audio Op-Amps are dual, 32V, 12MHz, low-noise amplifiers designed for audio applications like improving tone control. These op-amps offer low noise, high gain bandwidth, low harmonic distortion, and high output current. The RC4580 devices can be used as a headphone amplifier when high output current is required. These op-amps are pin and function-compatible with LM833, NE5532, NJM4558/9, and NJM4560/2/5 devices. The RC4580 audio op-amps operate at ±2V to ±18V wide voltage range where the device can also be used in low-voltage applications. These op-amps are ideal for audio preamplifiers, active filters, headphone amplifiers, and industrial measurement equipment.Features
- ±2V to ±18V operating voltage range
- 0.8μVrms low noise voltage
- 12MHz gain-bandwidth product
- 0.0005% total harmonic distortion
- 5V/μs slew rate
- Drop-in replacement for NJM4580
- Pin and function compatible with LM833, NE5532, NJM4558/9, and NJM4560/2/5 devices
Applications
- Audio preamplifiers
- Active filters
- Headphone amplifiers
- Industrial measurement equipment
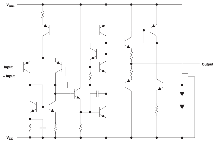
Functional Block Diagram
Noninverting Amplifier Schematic
Published: 2025-01-23
| Updated: 2025-02-21
