Texas Instruments SN74HCS237/SN74HCS237-Q1 Decoder/Demultiplexer
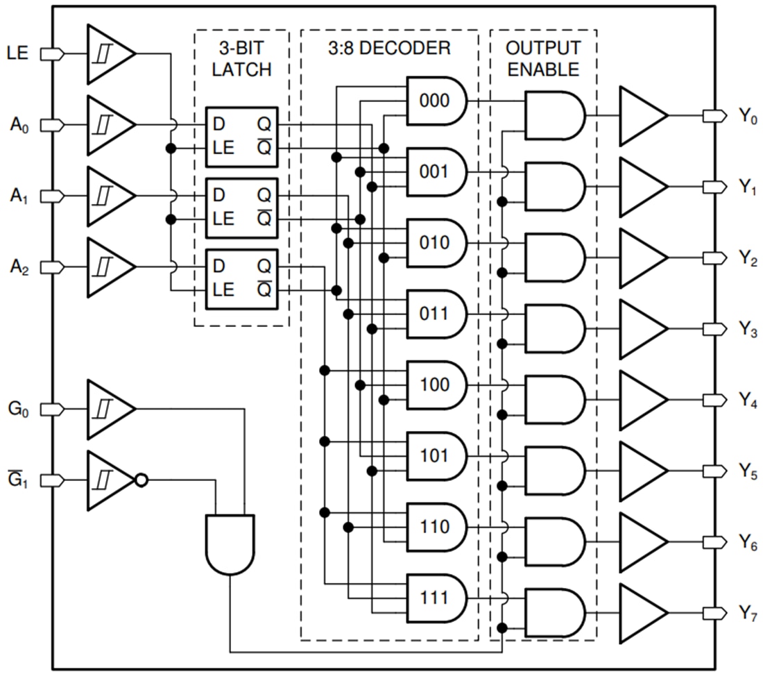
Texas Instruments SN74HCS237/SN74HCS237-Q1 Decoder/Demultiplexer is a three-to-eight decoder with latched address inputs, one standard output strobe (G0), and one active-low output strobe (G1). When the latch enable (LE) input is high, the device acts as a standard three to eight decoder. When the latch enable (LE) input is low, the address latch retains its previous state. When the outputs are gated by either strobe input, the outputs are all forced into the low state. When the outputs are not disabled by one or both strobe inputs, only the selected output is high, while all others are low. The Texas Instruments SN74HCS237-Q1 devices are AEC-Q100 qualified for automotive applications.Features
- 2V to 6V wide operating voltage range
- Schmitt-trigger inputs allow for slow or noisy input signals
- ±7.8mA output drive at 6V
- –40°C to +125°C, TA extended ambient temperature range
- Low power consumption
- Typical ICC of 100nA
- Typical input leakage current of ±100nA
Applications
- Memory device selection with a shared data bus
- Route data
- Reduce the required number of outputs for chip-select applications
Functional Block Diagram
Datasheets
Published: 2020-10-27
| Updated: 2024-09-09
