Texas Instruments SN74LV8T157-EP Data Selectors/Multiplexers

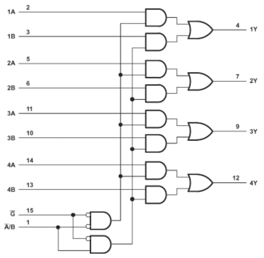
Texas Instruments SN74LV8T157-EP Data Selectors/Multiplexers contain four data selectors/multiplexers to select one of two data sources. The same address controls all channels, select strobe (G) input and (A/B) input. A high level at the strobe terminal forces all outputs low. The Texas Instruments SN74LV8T157-EP devices have gold bond wires, a temperature range of –55 to +105°C, and an SnPb lead finish.

Features

  • Wide operating range of 1.65V to 5.5V
  • 5.5V tolerant input pins
  • Single-supply voltage translator
    • Up translation
      • 1.2V to 1.8V
      • 1.5V to 2.5V
      • 1.8V to 3.3V
      • 3.3V to 5.0V
    • Down translation
      • 5.0V, 3.3V, 2.5V to 1.8V
      • 5.0V, 3.3V to 2.5V
      • 5.0V to 3.3V
  • Up to 150Mbps with 5V or 3.3V VCC
  • Supports standard function pinout
  • Latch-up performance exceeds 250mA per JESD 17
  • Supports defense and aerospace applications
    • Controlled baseline
    • One assembly and test site
    • One fabrication site
    • Extended product life cycle
    • Product traceability

Applications

  • Enable or disable a digital signal
  • Controlling an indicator LED
  • Translation between communication modules and system controllers

Logic Diagram (Positive Logic)

Block Diagram - Texas Instruments SN74LV8T157-EP Data Selectors/Multiplexers
Published: 2025-04-07 | Updated: 2025-04-11