Texas Instruments SN74LVC165A/SN74LVC165A-Q1 Shift Registers
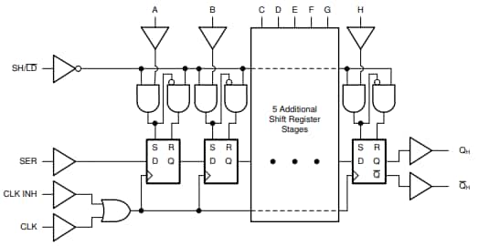
Texas Instruments SN74LVC165A/SN74LVC165A-Q1 Shift Registers are 8-bit parallel-load registers with serial (SER) input to allow for daisy chaining and a standard and inverted output. The data is loaded to the device asynchronously using the shift or load select pin. These shift registers support partial-power-down with back drive protection and feature 20ns maximum propagation delay time at 3.3V. The SN74LVC165A-Q1 registers are AEC-Q100 qualified for automotive applications. These shift registers are used to increase the number of inputs on a microcontroller and in read-in-board revision.Features
- Supports partial-power-down with back drive protection
- High push-pull output drive strength:
- ±24mA at 3.3V
- ±8mA at 2.3V
- ±4mA at 1.65V
- 20ns maximum propagation delay time at 3.3V
- Over-voltage tolerant inputs support up to 5.5V
- 1.1V to 3.6V operating voltage range
- SN74LVC165A-Q1:
- AEC-Q100 qualified for automotive applications:
- Device temperature grade 1: -40°C to 125°C
- Device HBM ESD classification level 2
- Device CDM ESD classification level C4B
- AEC-Q100 qualified for automotive applications:
- Latch-up performance exceeds 100mA per JESD78
Applications
- Increase the number of inputs on a microcontroller
- Read in board revision
Datasheets
Block Diagram
Application Circuit Diagram
Published: 2024-07-18
| Updated: 2025-05-05
