Texas Instruments TPS22999 On-Resistance Load Switch

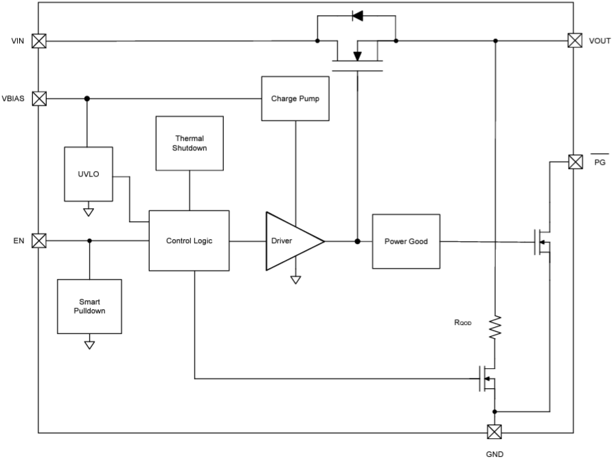
Texas Instruments TPS22999 On-Resistance Load Switch is a single-channel load switch designed to attain a fast turn-on time with a low inrush current. This load switch features an N-channel MOSFET that functions over a 0.1V to VBIAS -1V input voltage range and supports 1.5A maximum continuous current. The TPS22999 load switch integrates a 5.3Ω quick output discharge path while the switch is turned off to enable reliable system operation. This load switch features a Power Good (PG) signal that indicates when the main MOSFET is properly settled to the lowest resistance path. The TPS22999 load switch operates at -40 °C to 105°C free-air temperature range and is available in a 0.35mm pitch and 8-pin WCSP package (YCH). Typical applications include wearables, Solid-State Drives (SSDs), PCs and notebooks, industrial PCs, and optical modules.

Features

  • Input operating voltage range (VIN)
  • 2.3V to 5.5V bias voltage range
  • 1.5A maximum continuous current
  • 7.5mΩ (typical) ON-resistance (RON)
  • Regulated inrush current
  • 5.3Ω integrated quick output discharge
  • Open drain Power-Good (PG) signal
  • <200μs at VIN = 1V turn-on time
  • Thermal shutdown
  • VBIAS Under-Voltage Lockout (UVLO)
  • Low power consumption:
    • 10μA (typical) ON state (IQ)
    • 2.7μA (typical) OFF state (ISD)
  • Smart EN pin pulldown (RPD,EN):
    • 25nA (typical) EN ≥ VIH (ION)
    • 500kΩ (typical) EN ≤ VIL (RPD,ON)

Applications

  • Wearables
  • Solid State Drive (SSDs)
  • PC and notebooks
  • Industrial PC
  • Optical module

Typical Application Diagram

Application Circuit Diagram - Texas Instruments TPS22999 On-Resistance Load Switch

Block Diagram

Block Diagram - Texas Instruments TPS22999 On-Resistance Load Switch
Published: 2024-01-15 | Updated: 2024-02-05