Texas Instruments TPS2586x-Q1 USB Type-A Charging Ports Controllers
Texas Instruments TPS2586x-Q1 Dual USB Type-A Charging Ports Controllers are an integrated USB charging port solution. The TI TPS2586x-Q1 includes a synchronous DC/DC converter capable of supplying up to 6.6A. Additionally, the TPS2586x-Q1 features an integrated detection and control for implementing USB Battery Charging 1.2 and Type-A ports.Features
- AEC-Q100 qualified for automotive applications
- TA Range –40°C to +125°C temperature grade 1
- HBM ESD classification level H2
- CDM ESD classification level C5
- Synchronous buck regulator
- 95.2% at VIN = 13.5V, IPA_BUS = 2.4A and IPB_BUS = 2.4A high efficiency at 400kHz
- 18mΩ/10mΩ low RDS(ON) buck regulator MOSFETs
- 5.5V to 26V, withstand 36V input operating voltage range
- 200kHz to 800kHz adjustable frequency
- FPWM with spread-spectrum dithering
- 5.1V, 5.17V, 5.3V, 5.4V selectable output voltage
- Internal power path
- 7mΩ/7mΩ low RDS(ON) internal USB power MOSFETs
- ±10% at 2.73A current limit for USB ports with high accuracy
- 5.1V, 200mA supply for auxiliary loads OUT
- 90mV at 2.4A load line drop compensation
- Compliant to USB-IF standards
- Automatic DCP modes
- Shorted mode per BC1.2 and YD/T 1591 2009
- 1.2V mode
- 2.7V divider 3 mode
- Automatic DCP modes
- Load shedding versus programmable TA
- –40°C to +150°C device TJ range
Applications
- Automotive USB charging ports
- Automotive USB media hubs
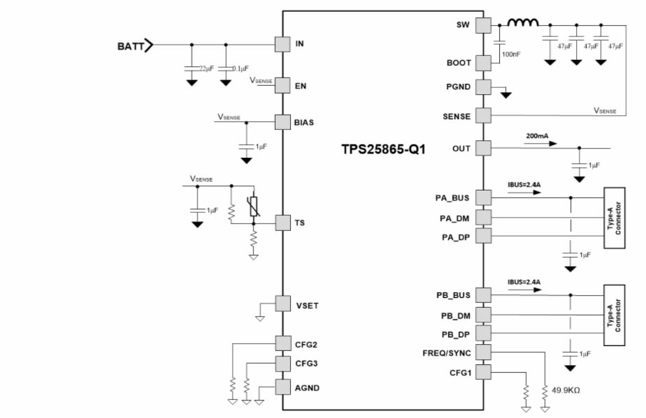
Simplified Schematic
Typical Application Circuit
Published: 2020-12-30
| Updated: 2025-03-10
