Texas Instruments TPS549D22 SWIFT™ Synchronous Step-Down Converter

Texas Instruments TPS549D22 SWIFT™ Synchronous Step-Down Converter is a compact single buck converter with adaptive on-time, D-CAP3 mode control. This converter is designed for high accuracy, efficiency, fast transient response, ease-of-use, low external component count, and space-conscious power systems. The TPS549D22 features full differential sense, TI integrated FETs with a high-side on-resistance of 2.9mΩ and a low-side on-resistance of 1.2mΩ. The device also features an accurate 0.5%, 0.9V reference with an ambient temperature range between –40°C and 125°C. Competitive features include very low external component count, accurate load and line regulation, auto-skip or FCCM mode operation, and internal soft-start control.

Features

  • 1.5V to 16V input voltage range (PVIN
  • 4.5V to 22V input bias voltage (VDD) range 
  • 0.6V to 5.5V output voltage range: 
  • Integrated, 2.9mΩ and 1.2mΩ power MOSFETs with 40A continuous output current
  • Voltage reference 0.6V to 1.2V in 50mV steps using VSEL pin
  • ±0.5%, 0.9-VREF tolerance range: –40°C to +125°C junction temperature
  • A true differential remote sense amplifier
  • D-CAP3TM control loop
  • Adaptive on-time control with eight PMBusTM frequency: 315kHz, 425kHz, 550kHz, 650kHz, 825kHz, 900kHz, 1.025MHz, 1.125MHz
  • Temperature-compensated and programmable current limit with RILIM and OC clamp
  • Choice of hiccup or latch-off OVP or UVP
  • VDD UVLO external adjustment by precision EN
  • Pre-bias start-up support
  • Eco-modeTM and FCCM selectable
  • Full suite of fault protection and PGOOD
  • Standard VOUT_COMMAND and VOUT_MARGIN (HIGH and LOW)
  • Pin-strapping and on-the-fly programming
  • Fault reporting and warning
  • NVM backup for selected commands
  • 1MHz PMBus with PEC and SMB_ALRT#

Applications

  • Enterprise storage, SSD, NAS
  • Wireless and wired communication infrastructure
  • Industrial PCs, automation, ATE, PLC, video surveillance
  • Enterprise server, switches, routers
  • ASIC, SoC, FPGA, DSP core, and I/O rails

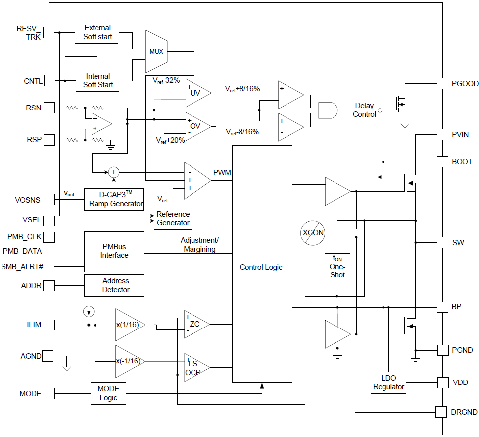
Functional Block Diagram

Block Diagram - Texas Instruments TPS549D22 SWIFT™ Synchronous Step-Down Converter
Published: 2017-01-24 | Updated: 2022-03-18