The device employs a fixed-frequency peak current control mode for a good line, load regulation, and fast transient response. The internal loop compensation is optimized to eliminate external compensation components over a wide range of operation frequency and output voltage. Pulse frequency modulation (PFM) mode maximizes the light load efficiency. A low quiescent current feature benefits extended battery lifetime in low-power operation. The device reduces EMI noise with a frequency spread spectrum feature.
The Texas Instruments TPS563300 provides complete protections, including OTP, OVP, UVLO, cycle-by-cycle OC limit, and UVP with hiccup mode. This device is in a small SOT-583 (1.6mm × 2.1mm) package with a 0.5mm pin pitch. It has an optimized pinout for easy PCB layout and promotes good EMI performance.
Features
- Ease of use and small solution size
- Peak current control mode with internal compensation
- Pulse frequency modulation (PFM) for high light-load efficiency
- 500kHz fixed switching frequency
- EMI friendly with frequency spread spectrum
- Support start-up with pre-biased output
- Cycle-by-cycle OC limit for both high-side and low-side MOSFETs
- Non-latched protections for OTP, OCP, OVP, UVP, and UVLO
- 1.6mm × 2.1mm SOT-583 package
- Configured for a wide range of applications
- 3.8V to 28V input voltage range
- 0.8V to 22V output voltage range
- 3A continuous output current
- 0.8V ± 1.5% reference voltage (25°C)
- –40°C to 150°C operating junction temperature
- Integrated 76mΩ and 32mΩ MOSFETs
- 20µA low quiescent current (typical)
- Maximum 98% duty cycle operation
- Precision EN threshold
Applications
- Building automation, appliances, industrial PC
- Multifunction printers, enterprise projectors
- Portable electronics, connected peripherals
- Smart speakers, monitors
- Distributed power systems with 5V, 12V, 19V, and 24V input
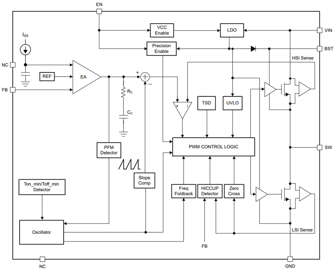
Functional Block Diagram

