Texas Instruments TPS65321A-Q1 Automotive 3.2A Buck Converters

Texas Instruments TPS65321A-Q1 Automotive 3.2A Buck Converters combine a high-VIN DC-DC step-down converter with an adjustable switch-mode frequency from 100kHz to 2.5MHz, and a high-VIN 280mA low-dropout (LDO) regulator. The step-down converter has an input range of 3.6V to 36V, and the LDO regulator has a 3V to 36V. The buck regulator has an integrated high-side MOSFET with an active-low, open-drain power-good output pin (nRST) and provides a flexible design to fit system needs. The LDO regulator features a low-input supply current of 45µA typical in no-load mode. The TPS65321A-Q1 enables a low-voltage tracking feature to track the input supply during cold-crank conditions. Built-in protection features are offered on the device, such as soft start, current limit, thermal sensing, and shutdown due to excessive power dissipation. Additionally, the TPS65321A-Q1 has an internal Undervoltage-Lockout (UVLO) function that turns off the device when the supply voltage is too low. The TPS65321A-Q1 devices are AEC-Q100 qualified for automotive applications.

Features

  • Qualified for automotive applications
  • AEC-Q100 Qualified with the following results:
    • –40°C to +125°C Ambient operating temperature 
    • Device HBM ESD classification level 2
    • Device CDM ESD classification level C4B
  • One high-VIN step-down DC-DC converter
    • Input range of 3.6V to 36V
    • 250mΩ High-side MOSFET
    • Maximum load current 3.2A, output adjustable 1.1V to 20V
    • Adjustable switching frequency 100kHz to 2.5MHz
    • Synchronizes to external clock
    • High efficiency at light loads with pulse-skipping Eco-mode™ control scheme
    • Maximum 140µA operating quiescent current
    • Reset output pin (Active Low, Open-Drain)
  • One high-VIN Low-Dropout (LDO) voltage regulator
    • Input range of 3V to 36V
    • 280mA Current capability with typical 35µA quiescent current in no-load condition
    • Low-dropout voltage of 300mV at IO = 200mA (typical)
  • Overcurrent protection for both regulators
  • Overtemperature protection
  • 14-Pin HTSSOP Package with PowerPAD™ integrated circuit package

Applications

  • Automotive infotainment and cluster
  • Advanced Driver Assistance System (ADAS)
  • Automotive telematics, eCall

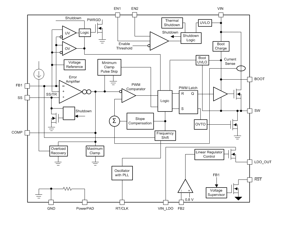
Block Diagram

Block Diagram - Texas Instruments TPS65321A-Q1 Automotive 3.2A Buck Converters
Published: 2018-11-15 | Updated: 2025-03-06