Texas Instruments UCC21750QDWEVM-025 Evaluation Board
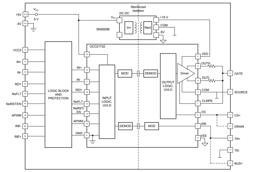
Texas Instruments UCC21750QDWEVM-025 Evaluation Board is a compact, single-channel, isolated gate driver board. The UCC21750QDWEVM-025 Board provides drive, bias voltages, protection, and diagnostic needed for SiC MOSFET and Si IGBT Power Modules, housed in 150mmx62mmx17mm and 106mmx62mmx30mm packages.The Texas Instruments UCC21750QDWEVM-025 Evaluation Board is based on the UCC21710 5.7kVrms reinforced isolation drivers with 8.0mm creepage and clearance. The UCC21750QDWEVM-025 includes SN6505B-based isolated DC-DC transformer bias supplies.
Features
- 10A peak, split output drive current with programmable drive voltages
- Two 5.7kVrms reinforced isolated channels to support up to 1700V input rail
- Short circuit protection using desat signal with soft turn OFF and Miller clamp with internal FET
- Robust noise-immune solution with CMTI > 100V/ns
Applications
- Solar inverters
- Motor drives
- HEV/EV chargers
Layout
Block Diagram
Published: 2019-12-26
| Updated: 2025-03-06
