Vishay / Spectrol 63 Series 3/8" Square Single-Turn Trimmer Resistor
Vishay / Spectrol 63 Series 3/8" Square Single-Turn Cermet Trimmer Resistors come in various pin configurations for top and side adjustments. These resistors are available with a choice of knob styles for finger settings, and quick adjustment is possible due to the multi-finger wiper. Specifications include a standard resistance range of 100Ω to 2MΩ, a ±10% tolerance, and a wide operating temperature range of -55°C to +125°C. Vishay / Spectrol 63 Series 3/8" Square Single-Turn Cermet Trimmer Resistors feature an O-ring seal for solvent and aqueous washing with an IP64 protection sealing.Features
- Arrow and graduations for repeatable settings
- O-ring seal for solvent and aqueous washing
- Rigid board mounting achieved with pins secured in housing
- Multi-finger wiper for better contact resistance
- Solid end stop
- Professional-grade construction
Specifications
- 270° nominal effective travel
- 100Ω to 2MΩ resistance range
- ±10% resistance tolerance
- 1000MΩ minimum insulation resistance
- 35mNm maximum starting torque
- Cermet resistive element
- IP64 sealing
- -55°C to +125°C temperature range
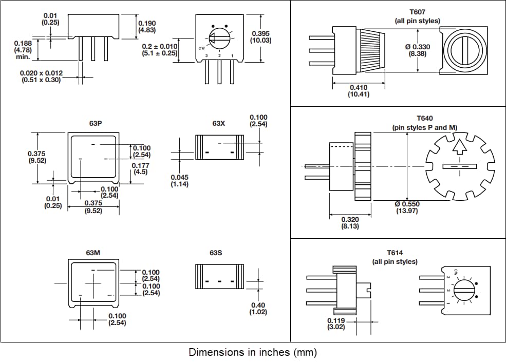
Dimensions
Additional Resources
Published: 2025-05-27
| Updated: 2025-07-14
