Vishay R3T2FPHM3 Automotive Hybrid Rectifier & TVS

Vishay R3T2FPHM3 Automotive Hybrid Rectifier and TVS is a cutting-edge solution for automotive applications. The Vishay R3T2FPHM3 device combines a rectifier and TRANSZORB® TVS in a single, compact package. The oxide planar chip junction ensures high performance and reliability, and it meets MSL level 1, per J-STD-020, with a maximum peak of 260°C. The device is AEC-Q101 qualified, making it suitable for a wide range of automotive applications.

Features

  • Automotive hybrid solution for Rectifier and TRANSZORB TVS
  • Oxide planar chip junction
  • Meets MSL level 1, per J-STD-020, LF maximum peak of 260°C
  • AEC-Q101 qualified available
  • Material categorization, definitions of compliance
  • FlatPAK 5x6 package
  • Common cathode circuit configuration
  • -55º to +175ºC operating junction temperature range
  • Standard rectifier
    • IF(AV) 3A
    • VRRM 600V
    • IFSM 40A
    • VF at IF = 3A (TJ = 125°C) 0.86V
  • Transient voltage suppressors
    • VBR 27V
    • VWM 23.1V
    • PPPM 200W

Applications

  • Secondary protection for sensor units
  • Distributed airbag modules
  • Low-power DC/DC converters under power distributor

Videos

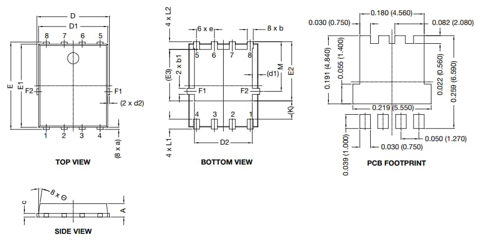
Package Dimensions

Mechanical Drawing - Vishay R3T2FPHM3 Automotive Hybrid Rectifier & TVS
Published: 2023-01-19 | Updated: 2024-04-02