Vishay Semiconductors SiC660 60A VRPower® Integrated Power Stage

Vishay Semiconductors SiC660 60A VRPower® Integrated Power Stage is a high-frequency integrated power stage designed for synchronous buck applications. The Vishay Semiconductors SiC660 provides high current, efficiency, and power density with minimal shutdown current. Housed in Vishay's compact 5mm x 5mm MLP package, it supports voltage regulators delivering up to 60A continuous current per phase. Its internal power MOSFETs, built on Vishay’s advanced TrenchFET® technology, minimize switching and conduction losses for industry-leading performance.

Features

  • Thermally enhanced PowerPAK® MLP55-31L package
  • TrenchFET technology and low-side MOSFET with integrated Schottky diode
  • Integrated, low impedance, bootstrap switch
  • Power MOSFETs optimized for 12V input stage
  • Supports PS4 mode light load requirement with low shutdown supply current (5V, 3μA)
  • Zero current detection for improved light load efficiency
  • 5V and 3.3V PWM logic with tri-state and hold-off timer
  • 5V DSBL#, ZCD_EN# logic with PS4 state support
  • High-frequency operation up to 2MHz
  • Delivers more than 60A continuous current, 70A peak (10ms), and 100A peak (10μs)
  • Over current protection
  • Over temperature flag
  • Over temperature protection
  • Undervoltage lockout protection
  • High-side MOSFET short detection
  • Effective monitoring and reporting
  • Accurate temperature reporting
  • Warnings and faults reporting flag

Applications

  • Multi-phase VRDs for computing, graphics cards, and memory
  • Intel core processor power delivery
  • VCORE, VGRAPHICS, VSYSTEM AGENT, VCCGI
  • Up to 16V rail input DC/DC VR modules

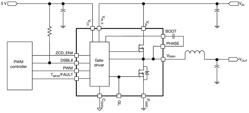
TYPICAL APPLICATION

Application Circuit Diagram - Vishay Semiconductors SiC660 60A VRPower® Integrated Power Stage
Published: 2024-11-19 | Updated: 2025-01-01