Taiwan Semiconductor MMBT3906T PNP Bipolar Transistor

Taiwan Semiconductor MMBT3906T PNP Bipolar Transistor is an epitaxial planar type transistor with improved electrical conductivity. This transistor is designed with -40V of collector-to-base voltage (VCBO), -40V of collector-to-emitter voltage (VCEO), and -5V of emitter-to-base voltage (VEBO). The MMBT3906T PNP transistor features a collector current of -200mA and power dissipation (PD) of 150mW. This transistor is halogen-free according to IEC 61249-2-21 standards and RoHS compliant. Some of the applications include consumer electronics, low-frequency amplifiers, and drivers.

Features

  • Complementary PNP Type: MMBT3904T
  • Epitaxial planar type
  • -40V collector-to-base voltage (VCBO)
  • -40V collector-to-emitter voltage (VCEO)
  • -5V emitter-to-base voltage (VEBO)
  • -200mA collector current (IC)
  • 150mW power dissipation (PD)
  • -55°C to 150°C junction temperature range
  • RoHS compliant
  • Halogen-free according to IEC 61249-2-21

Applications

  • Consumer electronics
  • Low-frequency amplifiers
  • Drivers

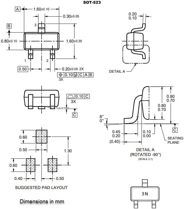
Package Outline Dimensions

Mechanical Drawing - Taiwan Semiconductor MMBT3906T PNP Bipolar Transistor
Published: 2023-01-02 | Updated: 2023-01-11